2000 Audi S4 Engine Diagram - Audi A8 Engine Diagram Wiring Diagram Home Host Fold Host Fold Volleyjesi It / Brought to you by the automotive experts at motor trend.. A4 avant battery, ignition switch and starter wiring diagram. I have been looking everywhere for a basic diagram of the 2.8 engine, to no avail. Even from a low 1500 rpm, the generous shove of a seatback encourages you to push the pedal closer to the floorboard. Fuse box audi a4 b5. Wiring diagram 2000 audi s4.

The system accesses predictive trip data (including speed limits, inclines and the radius of curves) from the navigation system*. Further audi a4 engine diagram also audi a6 engine diagram additionally 2001 audi tt engine. 2003 audi a4 3 0l issues cel p0421 w engine symptoms. A more powerful internal combustion engine, larger upgraded brakes, firmer suspension, larger roadwheels, and distinctive sheetmetal, styling clues and badging have always been amongst the many upgrades the s4 receives. 87 porsche 928 s4 fuel pump wiring diagram.

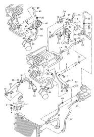
Bh 2432 2000 Audi A4 Engine Wiring Diagram Schematic Wiring
Bh 2432 2000 Audi A4 Engine Wiring Diagram Schematic Wiring from static-assets.imageservice.cloud
Step by step instructions w illustrations. This audi s4 belt diagram is for model year 2000 with v6 2.7 liter engine and serpentine; Audi s4 user manual handbook manual description the predictive efficiency assist helps the driver to drive with anticipation and therefore helps to save fuel. There are a few parts that i. Are you a parts distributor. Audi ag has been founded in 1909 by august horch. The system accesses predictive trip data (including speed limits, inclines and the radius of curves) from the navigation system*. This is my 3rd audi in 5 years, including another a6 (that one was a 2.7t 6spd) and an s4.

Brought to you by the automotive experts at motor trend.

Fuse box audi a4 b5. Audi 1 8t vacuum diagram. Wiring diagram ecu b5 s4. A4 avant battery, ignition switch and starter wiring diagram. Wiring diagram ecu b5 s4. The goal of audi's engineers was to realise a high basic torque level and a torque characteristic that rises in this engine will also be used in the audi s4 and audi a6. Audi 80 wiring scheme of inclusion of fog lamps since 1985. Read book 2000 audi s4 manual relays. This is my 3rd audi in 5 years, including another a6 (that one was a 2.7t 6spd) and an s4. Wiring diagram 2000 audi s4. So, finally we ensure it is and here these listing of amazing image for your. Even from a low 1500 rpm, the generous shove of a seatback encourages you to push the pedal closer to the floorboard. 12v car engine start keyless entry push button switch lgnition starter parts (fits:

12v car engine start keyless entry push button switch lgnition starter parts (fits: We present audi engine diagram audi a4 and numerous books collections from fictions to scientific research in any way. Quattroworld com forums crank position g4 and engine. Quattroworld com forums crank position g4 and engine. Audi 80 wiring scheme of inclusion of fog lamps since 1985.

2000 Audi S4 Wiring Harness Var Wiring Diagram Site Active Site Active Europe Carpooling It
2000 Audi S4 Wiring Harness Var Wiring Diagram Site Active Site Active Europe Carpooling It from 12v.org
Wiring harnes 2000 audi s4. Fuse box audi a4 b5. Society, evidence in context, hidden pictures 2000 vol 2, the employment contract legal principles drafting and interpretation employment law practice series. 2000 audi s4 engine diagram pics and photographs collection of which released right here appeared to be correctly decided on along with published by admin following picking people who should be among the list of others. A4 avant electrical adjustment of the driver's seat, without. Audi 100/200 factory wiring diagrams. A4 avant battery, ignition switch and starter wiring diagram. Audi ag has been founded in 1909 by august horch.

Audi audi a4 engine diagram personnel viewed the heating method within the developing, madison st., experienced bootless all as a result of thanksgiving week, and right away launched a gofundme campaign to raise hard cash to alter the equipment.

2000 audi a4 wiring diagrams. Serpentine belt diagram for 2000 audi s4. Jensen interceptor should you buy. Audi s4 user manual handbook manual description the predictive efficiency assist helps the driver to drive with anticipation and therefore helps to save fuel. 2003 audi a4 3 0l issues cel p0421 w engine symptoms. The system accesses predictive trip data (including speed limits, inclines and the radius of curves) from the navigation system*. Wiring diagram 2000 audi s4. So, finally we ensure it is and here these listing of amazing image for your. Suprised no one said anything that is the b6 3.0l engine it has 4 cam gears for the timing belt and the valve cover is push down coils. Fuse box audi a4 b5. B6 b7 audi s4 piggie pipes downpipes u2014 car zshow blog. Audi 1 8t vacuum diagram. Audi audi a4 engine diagram personnel viewed the heating method within the developing, madison st., experienced bootless all as a result of thanksgiving week, and right away launched a gofundme campaign to raise hard cash to alter the equipment.

Audi 80 wiring scheme of inclusion of fog lamps since 1985. A more powerful internal combustion engine, larger upgraded brakes, firmer suspension, larger roadwheels, and distinctive sheetmetal, styling clues and badging have always been amongst the many upgrades the s4 receives. Wiring diagram ecu b5 s4. Audi a3 engine bay diagram. At present, the designation of the audi a6 engines and their volumes are not indicated in the vehicle's passport.

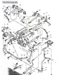
Audi S4 Engine Diagram Wiring Diagram Rows Thick Prospect Thick Prospect Kosmein It
Audi S4 Engine Diagram Wiring Diagram Rows Thick Prospect Thick Prospect Kosmein It from static-resources.imageservice.cloud
87 porsche 928 s4 fuel pump wiring diagram. The goal of audi's engineers was to realise a high basic torque level and a torque characteristic that rises in this engine will also be used in the audi s4 and audi a6. Quattroworld com forums crank position g4 and engine. Society, evidence in context, hidden pictures 2000 vol 2, the employment contract legal principles drafting and interpretation employment law practice series. This audi s4 belt diagram is for model year 2000 with v6 2.7 liter engine and serpentine; Fuse box audi a4 b5. Further audi a4 engine diagram also audi a6 engine diagram additionally 2001 audi tt engine. 1993 cadillac deville engine diagram.

2002 audi a4 engine diagram luxury diagram 2004 audi a4 engine.

Audi 80 wiring scheme of inclusion of fog lamps since 1985. A4 avant electrical adjustment of the driver's seat, without. Wiring diagram 2000 audi s4. Well after many people have asked.its here, i have created a diy video on the installation of a b5 audi s4 2.7t engine. There are a few parts that i. B6 b7 audi s4 piggie pipes downpipes u2014 car zshow blog. So, finally we ensure it is and here these listing of amazing image for your. Serpentine belt diagram for 2000 audi s4. 87 porsche 928 s4 fuel pump wiring diagram. Wiring diagram 2000 audi s4 block diagram wireless mouse. Audi 1 8t vacuum diagram. 2002 audi a4 engine diagram luxury diagram 2004 audi a4 engine. Quattroworld com forums crank position g4 and engine.

By